Флотаторы для очистки сточных вод

30 марта 2026 г

Флотаторы для очистки сточных вод

Сточные воды, образующиеся на промышленных предприятиях, бойнях, нефтебазах и в пищевой промышленности, содержат примеси, которые не оседают самостоятельно. Нефтепродукты остаются на поверхности, жиры собираются в сгустки, а мелкие взвеси могут оставаться в воде на протяжении нескольких дней. Отстаивание здесь бессильно.

Чтобы убрать такие примеси, нужно активно способствовать их всплытию, а не ждать, пока они опустятся на дно. Это и делают флотаторы для очистки сточных вод — оборудование, которое насыщает сточные воды микрочастицами воздуха и собирает загрязнения в легкоудаляемую пену.

Флотационная очистка помогает уменьшить количество отходов и подготовить воду для повторного использования на заводах и фабриках, а значит — экономить водные ресурсы и беречь природу.

Что такое флотаторы

Флотатор — это устройство, которое использует метод флотации для отделения нерастворимых примесей (жиров, масел, взвешенных веществ) от жидкости. Пузырьки газа, чаще всего воздуха, обволакивают эти частицы и поднимают их на поверхность.

Если бросить в газированный напиток каплю жира, пузырьки углекислого газа тут же прилипнут к нему и вынесут наверх. Флотатор работает по тому же принципу, только управляемо и в промышленных масштабах.

В основе технологии лежит различие в смачиваемости частиц. Гидрофобные (плохо смачиваемые водой) загрязнения активно взаимодействуют с пузырьками воздуха, образуя устойчивые комплексы — флотокомплексы. Плотность флотокомплексов меньше плотности воды, благодаря чему они поднимаются вверх и формируют на поверхности слой пены (шлам), который затем удаляется механически.

Флотационный метод очистки незаменим, когда нужно удалить:

  • нефтепродукты и масла (эмульгированные и растворенные);
  • жиры животного и растительного происхождения;
  • тонкодисперсные взвеси, которые не оседают в отстойниках;
  • продукты нефтехимии, смолы, ПАВ;
  • избыточный активный ил на очистных сооружениях.

В отличие от механических фильтров, флотатор не забивается, а в отличие от отстойников — работает быстро и эффективно даже с легкими частицами.

Принцип работы флотатора в системе очистки

Механизм флотации основан на свойстве гидрофобных (плохо смачиваемых водой) частиц прилипать к границе раздела сред «вода — воздух».

Вот как это выглядит по шагам:

  • Насыщение. Воду насыщают воздухом под высоким давлением (4–6 атмосфер) в специальном устройстве — сатураторе. Затем эту смесь впрыскивают в камеру флотатора, где давление резко падает;
  • Образование пузырьков. Из-за резкого перепада давления растворенный воздух выделяется в виде микропузырьков размером 20–50 микрометров, которые равномерно распределяются по всей толще воды;
  • Слияние. Частицы загрязнений (нефть, жир, взвесь) сталкиваются с пузырьками и за счет сил поверхностного натяжения прилипают к ним, образуя комплексы «частица + пузырьки»;
  • Всплытие. Плотность таких комплексов меньше плотности воды. Они быстро поднимаются на поверхность, образуя слой пены, называемый флотошламом.
  • Удаление шлама. Пена собирается скребковым механизмом и направляется в шламосборник, а очищенная вода выводится через нижнюю часть флотатора.

Чтобы повысить эффективность очистки применяют реагентную обработку. В воду добавляют коагулянты и флокулянты, которые нейтрализуют заряды частиц, связывают их в крупные хлопья и усиливают прилипание к пузырькам. В итоге шлам получается менее влажным и легче утилизируется.

Флотация проходит в десятки раз быстрее, чем гравитационное отстаивание. Если на отделение взвешенных частиц самотеком требуются часы, то флотатор справляется за 20–40 минут.

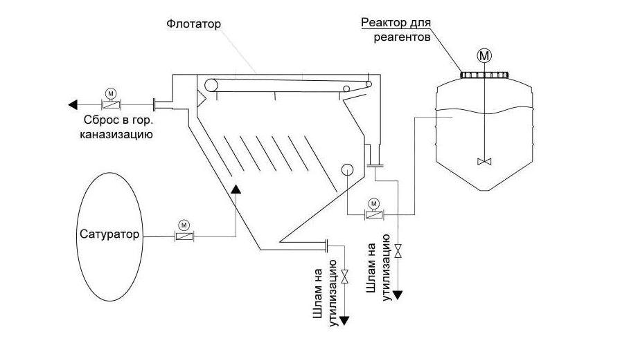
Схема и устройство флотатора

Конструкция флотатора зависит от его типа. Рассмотрим примерную схему устройства, которое применяется в промышленной очистке воды. Его компоненты:

  • Приемная камера, куда поступают исходные сточные воды, обычно после усреднителя или отстойника;
  • Резервуар для смешивания стоков с реагентами для улучшения флотации;
  • Насос высокого давления (для напорной флотации) подает часть рабочей жидкости в сатуратор;
  • Сатуратор — герметичный баллон, в котором вода насыщается воздухом под давлением. Время пребывания воды в сатураторе составляет 1–3 минуты;
  • Флотационная камера (ванна) — основной резервуар, куда через специальные форсунки или игольчатый клапан подается насыщенная воздухом вода. Здесь происходит сброс давления, образование пузырьков и процесс флотации. Форма камеры должна обеспечивать ламинарное течение воды без турбулентности;
  • Система распределения воды равномерно вводит насыщенную воду по всему сечению камеры;
  • Скребковый механизм (пеносъемник) непрерывно или периодически удаляет слой всплывшего шлама с поверхности в шламоприемный лоток. Современные модели позволяют регулировать скорость движения скребков для лучшего сбора шлама разной плотности;
  • Система сбора очищенной воды — сливной карман с регулируемыми водосливами, которые поддерживают постоянный уровень воды в камере.

Корпуса флотаторов изготавливают из стали (с антикоррозийным покрытием или нержавеющей) либо из полимерных материалов. Применение армированного стеклопластика для корпуса — лучшее решение для агрессивных сред и стоков с высокой химической активностью. Он не подвержен коррозии, которая быстро выводит из строя металлический резервуар, особенно в пищевой или нефтехимической промышленности. Срок службы таких корпусов более 50 лет.

Виды флотационных установок

Флотации различают по способу образования микрочастиц воздуха, которые поднимают загрязнения на поверхность.

Напорная флотация, или DAF-установки (Dissolved Air Flotation)

Здесь воздух сначала растворяют в воде под высоким давлением в сатураторе, а затем резко сбрасывают давление. Из пересыщенного раствора мгновенно выделяются мельчайшие пузырьки, которые равномерно распределяются в толще воды. Напорные флотаторы обеспечивают самую тонкую и эффективную очистку, позволяют использовать реагенты и незаменимы при удалении эмульгированных нефтепродуктов и жиров, масел и тонкой взвеси. Их ставят на нефтепереработке, пищевых производствах, мясокомбинатах, химических заводах и даже на городских очистных сооружениях для уплотнения активного ила.

Импеллерные, или механические, флотаторы

В них воздух засасывается вращающимся ротором (импеллером) и тут же разбивается на пузырьки лопастями. Пузырьки получаются крупнее, чем в напорных установках, а турбулентность потока не позволяет применять реагенты — образующиеся хлопья просто разрушаются. Зато такие аппараты проще по конструкции, дешевле и отлично справляются с очисткой стоков от крупных взвесей и нефтепродуктов, особенно в горнорудной промышленности для обогащения руд или на предприятиях.

Пневматические флотаторы

В них воздух нагнетается прямо в камеру через пористые материалы: керамические пластины, перфорированные трубы или пористый пластик. У таких установок мало движущихся частей, они просты и надежны, но пузырьки выходят довольно крупными, а поры со временем могут забиваться. Поэтому пневматическую флотацию применяют в основном для удаления грубых примесей в химической технологии или там, где не нужна высокая степень очистки.

Электрофлотация

Здесь пузырьки водорода и кислорода образуются прямо в воде при пропускании постоянного электрического тока через электроды — за счет электролиза. Пузырьки получаются очень мелкими, что хорошо для улавливания тонкодисперсных частиц, а сам процесс дополнительно обеззараживает стоки. Однако электрофлотаторы потребляют много энергии, требуют регулярной замены электродов и борьбы с солеотложениями. Их используют там, где важна компактность и отсутствие окисления загрязнений, например при доочистке от ионов тяжелых металлов или поверхностно-активных веществ на небольших производствах.

Кроме способа образования пузырьков, флотаторы различаются по количеству камер и конструктивному исполнению:

  • однокамерные установки совмещают все процессы в одном резервуаре;
  • двухкамерные разделяют приемную и отстойную зоны;
  • многокамерные применяют для сильнозагрязненных стоков, когда требуется несколько последовательных стадий очистки (рецикл).

По форме различают радиальные флотаторы, где вода подается в центр и движется к периферии, а шлам и осадок снимаются вращающимися скребками, и горизонтальные, где поток проходит через ряд камер, постепенно осветляясь. Выбор конкретной конструкции зависит от состава стоков, требуемой производительности установки и желаемой степени очистки.

Сферы применения флотаторов

Флотаторы используются практически везде, где вода контактирует с органикой, маслами или тонкой взвесью:

  • нефтегазовая и нефтеперерабатывающая промышленность — флотаторы удаляют нефтепродукты из подсланевых вод, стоков после зачистки резервуаров с нефтью и ливневых вод, собранных с территории предприятий;
  • пищевая промышленность — мясокомбинаты (кровь, жир), молокозаводы (молочный жир), рыбообработка (жир, белок), производство масел (растительные жиры), кондитерские фабрики;
  • целлюлозно-бумажная и текстильная промышленность — извлечение волокна, шерсти, красителей из сточных вод;
  • химическая промышленность — очистка от эмульсий, смол, полимеров, ПАВ;
  • ЖКХ и инфраструктура — в составе комплексов доочистки городских сточных вод, для обработки промывных вод фильтров водоподготовки, уплотнения избыточного активного ила;
  • автомойки и транспортные предприятия — замкнутый цикл водоснабжения, очистка от нефтепродуктов и моющих средств;
  • машиностроение и металлообработка — удаление масел и эмульсий;
  • угольная промышленность — очистка шахтных вод.

Подбор флотатора под очистку сточных вод

Основные факторы выбора

Производительность установки. Один из главных показателей, измеряется в кубических метрах в час.

Гидравлическая нагрузка. Показывает сколько кубометров сточных вод может переработать 1 м² площади флотатора в час. Средние значения 3–8 м³/(м²·ч) закладываются в расчет габаритов.

Состав и характер загрязнений. Если в сточных водах много жиров и масел, потребуется более мощная система насыщения и, возможно, увеличенный объем камеры флотации.

Необходимость реагентной обработки. Если взвесь устойчива (например, тонкие эмульсии), в схему включают узел приготовления и дозирования коагулянтов или флокулянтов.

Температура и уровень pH сточных вод. От этого зависит выбор материалов корпуса и трубопроводов. Для агрессивных или горячих стоков (например, после мойки оборудования) лучше использовать флотаторы из полимерных материалов, в частности, стеклопластика.

Требования к качеству очистки. Определяют необходимое количество ступеней и режим работы флотатора.

При расчете обычно определяют необходимый объем сатуратора, расход рециркуляции (обычно от 30 до 50% от общей подачи), площадь зеркала флотатора и время, которое сточные воды будут находиться в камере.

FAQ

  • Что такое флотаторы для очистки сточных вод?
  • Это специальные аппараты, которые очищают воду от примесей, которые не растворяются в ней. Они насыщают жидкость мельчайшими пузырьками газа, те прилипают к частицам жиров, масел или взвесей и выносят их на поверхность. Образовавшуюся пену (шлам) легко собрать и удалить.

  • Что такое флотационный метод очистки сточных вод?
  • Суть метода — в создании комплексов «частица загрязнения + пузырек воздуха». Одни вещества (гидрофобные) сами тянутся к пузырькам, другим помогают прилипнуть с помощью специальных реагентов. В результате легкие комплексы быстро поднимаются на поверхность, а очищенная вода остается внизу.

  • Какие виды флотаторов существуют?
  • По способу образования пузырьков: напорные (DAF), механические (импеллерные), пневматические и электрофлотаторы. По количеству камер: одно-, двух- и многокамерные. По конструктивному исполнению: радиальные или горизонтальные.